Err

Téléphone : +33 3 27 33 20 20  | Expert de l'aviation ultra légère depuis 1996
Marque
Prix
0-335
Rechercher Votre Panier

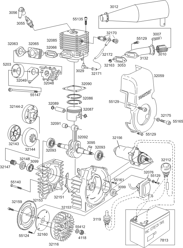
Pièces RAKET 120

Capuchon de bougie RAKET Bougie pour moteur RAKET Pot d'échappement standard RAKET Vis CHC 12.9 M6 x 25 cylindre DAC Entretoise d'admission RAKET Cylindre RAKET 120 Manuel Ressort 40 mm d'échappement Vis CHC 12.9 M5 x 25 DAC Flexible d' échappement RAKET Collecteur d'échappement RAKET Joint d'échappement RAKET 120 Ecrou de collecteur d'échappement Décompresseur automatique RACKET Prise de dépression RAKET Joint d'admission RAKET 120 Support de câble de gaz RAKET Carburateur WALBRO WG pour RAKET Joint de cylindre RAKET 120 Vis CHC 12.9 M5 x 100 admission DAC Segment RAKET 120 Piston complet RAKET 120 Circlips de piston RAKET Vis CHC 12.9 M5 x 25 DAC Vis CHC 12.9 M5 x 25 DAC
Entretoise de carter plastique Vis CHC 12.9 M6 x 40 carter DAC Cloche d'embrayage courroie Cloche d'embrayage 11 td RAKET Embrayage de RAKET Cage à aiguille axe piston Vilebrequin RAKET Clavette sur vilebrequin RAKET Roulement de vilebrequin RAKET Démarreur électrique RAKET Entretoise d'embrayage RAKET Roulement à aiguille embrayage Joint étanchéité carter moteur Roulement de vilebrequin RAKET Bouton de démarreur RAKET Vis CHC 12.9 M5 x 45 de carter DAC Couronne de démarreur RAKET Carter de bas moteur RAKET Joint de carter moteur RAKET Carter de bas moteur RAKET Vis CHC 12.9 M6 x 30 démarreur DAC Joint étanchéité carter moteur Bobine d'allumage RAKET Vis CHC 12.9 M5 x 25 DAC Vis CHC 12.9 M5 x 25 de turbine DAC Support couronne de démarreur Volant de turbine RAKET Interrupteur d'arrêt RAKET Rondelle M8 turbine ventilateur Ecrou frein M8 carter ventilateur Batterie 12 Volt 6.8 Ah
(Code: R3055)
Bougie pour moteur RAKET
6,02 €
Hors stock
Uniquement sur commande
Bougie pour moteur RAKET - L'unité
(Code: R3056)
Capuchon de bougie RAKET
6,37 €
En stock dans nos locaux
(6 Article(s) en stock)
Capuchon de bougie RAKET - L'unité
(Code: R3007)
Ressort 40 mm d'échappement
2,93 €
En stock dans nos locaux
(7 Article(s) en stock)
Ressort 40 mm d'échappement - L'unité
(Code: R3029)
Prise de dépression RAKET
5,50 €
En stock dans nos locaux
(5 Article(s) en stock)
Prise de dépression RAKET - L'unité
(Code: R3053)
Joint d'échappement RAKET 120
4,21 €
En stock dans nos locaux
(6 Article(s) en stock)
Joint d'échappement RAKET 120 - Lunité
(Code: R3095)
Clavette sur vilebrequin RAKET
1,51 €
Hors stock
Uniquement sur commande
Clavette sur vilebrequin RAKET - L'unité
(Code: R3099)
Joint étanchéité carter moteur
9,50 €
En stock dans nos locaux
(4 Article(s) en stock)
Joint étanchéité carter moteur RAKET
(Code: R3119)
Interrupteur d'arrêt RAKET
9,72 €
En stock dans nos locaux
(6 Article(s) en stock)
Interrupteur d'arrêt RAKET - L'unité
(Code: R3132)
Collecteur d'échappement RAKET
62,20 €
En stock dans nos locaux
(1 Article(s) en stock)
Collecteur d'échappement RAKET - L'unité
(Code: R32048)
Carburateur WALBRO WG pour RAKET
169,03 €
Hors stock
Uniquement sur commande
Carburateur WALBRO WG10 pour RAKET120
(Code: R32049)
Support de câble de gaz RAKET
10,15 €
Hors stock
Uniquement sur commande
Support de câble de gaz RAKET - L'unité
(Code: R32063)
Joint de carburateur WALBRO
2,59 €
En stock dans nos locaux
(13 Article(s) en stock)
(Code: R32065)
Entretoise d'admission RAKET
23,22 €
En stock dans nos locaux
(2 Article(s) en stock)
Entretoise d'admission RAKET - L'unité
(Code: R32066)
Joint d'admission RAKET 120
2,81 €
En stock dans nos locaux
(11 Article(s) en stock)
(Code: R32076)
Bobine d'allumage RAKET
76,88 €
En stock dans nos locaux
(1 Article(s) en stock)
Bobine d'allumage RAKET - L'unité
(Code: R32085)
Cylindre RAKET 120 Manuel
301,36 €
Hors stock
Uniquement sur commande
Cylindre seul pour RAKET 120 (démarreur manuel).
(Code: R32085-1)
Cylindre RAKET 120 ES
290,54 €
En stock dans nos locaux
(1 Article(s) en stock)
Cylindre RAKET 120 ES
(Code: R32086)
Segment RAKET 120
21,41 €
En stock dans nos locaux
(2 Article(s) en stock)
Segment RAKET 120 - L'unité
(Code: R32087)
Piston complet RAKET 120
137,90 €
En stock dans nos locaux
(2 Article(s) en stock)
Piston complet RAKET 120 fourni avec 2 segments et un clips
(Code: R32089)
Circlips de piston RAKET
1,73 €
En stock dans nos locaux
(8 Article(s) en stock)
Circlips de piston RAKET - L'unité
(Code: R32090)
Joint de cylindre RAKET 120
4,90 €
En stock dans nos locaux
(9 Article(s) en stock)
(Code: R32091)
Cage à aiguille axe piston
17,82 €
En stock dans nos locaux
(7 Article(s) en stock)
Cage à aiguille axe piston RAKET
(Code: R32092)
Vilebrequin RAKET
279,74 €
Hors stock
Uniquement sur commande
Vilebrequin RAKET - L'unité
(Code: R32093)
Roulement de vilebrequin RAKET
18,58 €
En stock dans nos locaux
(2 Article(s) en stock)
Roulement de vilebrequin RAKET - L'unité
(Code: R32112)
Bouton de démarreur RAKET
10,58 €
En stock dans nos locaux
(1 Article(s) en stock)
Bouton de démarreur RAKET - L'unité
(Code: R32143)
Embrayage de RAKET
78,28 €
Hors stock
Uniquement sur commande
Embrayage de RAKET - L'unité
(Code: R32144-2)
Cloche d'embrayage courroie
68,05 €
Hors stock
Uniquement sur commande
Cloche d'embrayage courroie - L'unité
(Code: R32147)
Roulement à aiguille embrayage
11,66 €
En stock dans nos locaux
(6 Article(s) en stock)
Roulement à aiguille embrayage - L'unité
(Code: R32148)
Entretoise d'embrayage RAKET
3,13 €
En stock dans nos locaux
(5 Article(s) en stock)
Entretoise d'embrayage RAKET - L'unité
(Code: R32151)
Joint de carter moteur RAKET
3,13 €
En stock dans nos locaux
(8 Article(s) en stock)
Joint de carter moteur RAKET - L'unité