Err

Téléphone : +33 3 27 33 20 20  | Expert de l'aviation ultra légère depuis 1996

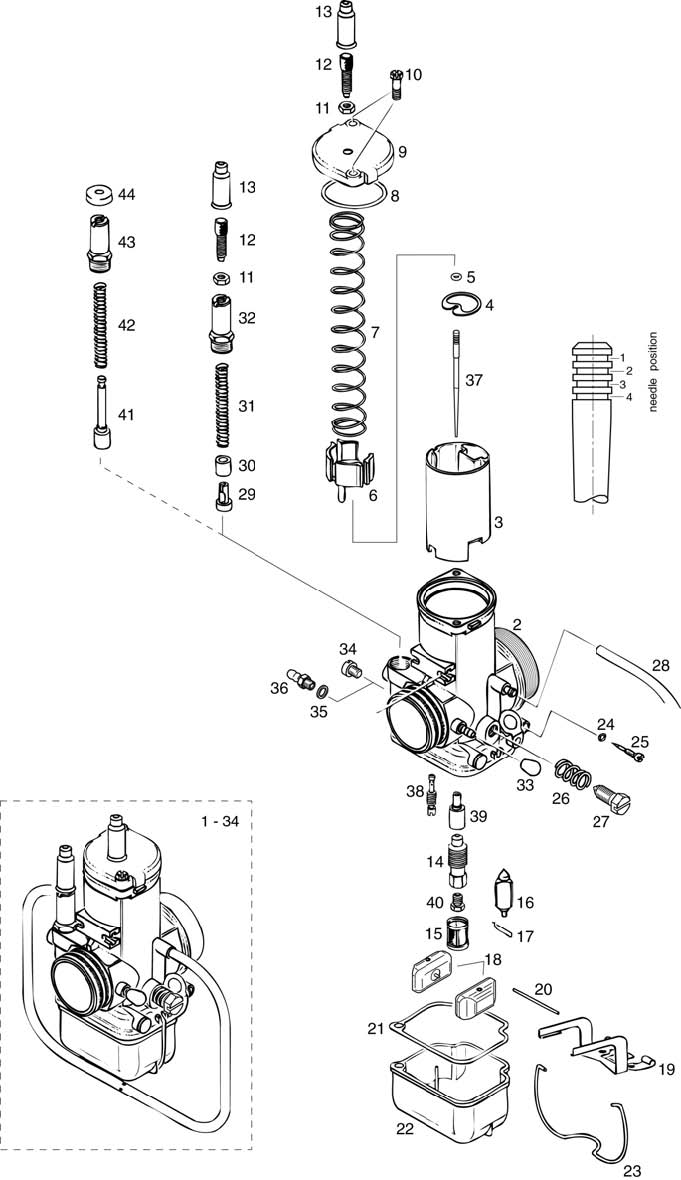
Bing 54 carburetor

BING 54 carburettor parts